面向未来,活在当下!
收藏夹
我的
站内搜索:
高级搜索
首页
>
物理
>
基础知识
>
选修
>
电路
逻辑电路
br>
电路的故障分析
<-->
返回列表
逻辑电路
逻辑门电路:计算机的核心是由一些被称之为逻辑电路的基本逻辑门电路构成的; 逻辑门电路分为:“与”门、“或”门、“非”门等。
1、“与”门:具有“与”逻辑功能的电路
电路符号:
其中A、B为电信号的输入端,Y为电信号的输出端。
“与”门真值表:
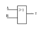
2、“或”门:有“或”逻辑功能的电路
电路符号:
其中A、B为电信号的输入端,Y为电信号的输出端。
“或”门真值表:
3、“非”门:有“非”逻辑功能的电路
电路符号:
其中A为电信号的输入端,Y为电信号的输出端。
“非”门真值表:
详解:
通俗的讲,“与”门就是要两把钥匙才能打开;“或”门就是只要有一把钥匙就能打开。
电路的故障分析
<-->
返回列表
全网搜索"逻辑电路"相关
来顶一下
返回首页
收藏知识
打印
相关知识
逻辑电路
无相关信息
发表笔记
共有
条笔记
验证码:
学习笔记(共有
0
条)
开心教练从2004年开始自费开设这个网站. 为了可以持续免费提供这些内容, 并且没有广告干扰,请大家随意打赏,谢谢!,
(微信中可直接长按微信打赏二维码。)
微信
支付宝
开心教练QQ:29443574
1.0
© 2004-2023
91学
(
闽ICP备11019754号-1
)